Pool Chlorinator

Tony's House Projects

Background
My Pool
The problem to solve is how to set up your pool so that it can go unattended for four weeks in the scorching heat of the summer. My previous solution involved putting ten large chlorine tablets in a feeder. That can last two weeks at the most. It has the downside of adding a lot of Cyanuric acid to your pool. Without going into pool chemistry details, just know that is not good, but it also does not get me to my target goal of being able to go away for four weeks at a time.
Here are the options I faced:
      Tablets - maximum two weeks, tablets very expensive
      Pool company - has not worked well in past (destroyed my motor, messed up chemistry)
      Ask a friend - depends on them also being around
      Salt Water Generator - salt has some downsides, extra electro-mechanical system to maintain
      Liquid chlorine injection - better than tablets or salt, potentially cheaper
Spoiler Alert
I decided to go with adding a liquid chlorine injection pump on the premise that it would be cheaper and avoid the downsides of a salt water system. I spent a lot of time and money designing and building this system, then a lot of time in experimentation trying to make it work. I learned a lot about pool chemistry and the realities of a chlorine injection system.
In the end, I could not get this to work and I do not have any theory that matches all the data and evidence I had accumulated over months. I went through dozens of theories, adjusted things and still could not reliably get it to work. The best I was left with was that the pump injects chlorine too slowly. Maybe something about the rate of injection: does it consume the chlorine faster than if you put it in at a faster rate? It is still a mystery to me.
Further, my decision to go with this solution was based the economic and complexity advantages. Neither of these wound up to be true. Liquid chlorine is not substantially cheaper than chlorine tablets and the system I wound up with was more complicated than a salt water chlorine generator.
Anyway, it was fun to build and educational, but just did not work in the end. Still, you can read all about it below and maybe get some education without the cost and big disappointment I experienced.
Peristaltic Pumps
Stenner pump and parts
Chlorine is very corrosive. Pumps are made of metal. This is a bad combination. I learned there exists peristaltic pumps that can ensure the corrosive liquid does not come into contact with metal parts. It uses a tube and rollers to compress the tube along a moving linear path to effectively push/pull liquid through the tube. This is what enables automated injection of nasty chemicals. A company named Stenner makes these pumps and they have been around a long time and just work. It was this established reliability that helped me decide this could be a low maintenance solution.
Controller Design
Unless you want to spend thousands or tens of thousands of dollars on a commercial control system, there is not an off-the-shelf consumer-grade controller for a Stenner pumps. This is another clue (I ignored) that this might not be the right approach.
The pump I bought can pump ten gallons a day. That is very slow, but it is more than fast enough to inject the amount of chlorine I needed. You can generally find 12% liquid chlorine to buy locally. (The highest viable concentration is 12%, else it degrades too quickly during transport and storage.) I did the math for my 18,000 pool and researched the chlorine demand chemistry to find that I would need to run the pump 1.5 hours a day in the heat of summer (much less in the winter).
A timer to turn the pump on 1.5 hours a day is the easy part: many of these timers exist. However, there are two additional problems to solve.
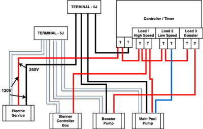
Stenner controller wiring diagram
First, you do not want to be injecting highly concentrated chlorine into your pipes if the main pool pump is not pushing water. Else the chlorine lingers in the pipes and damages all the other equipment. The pool pump is on its own timer, and while you can try to keep the clocks in sync, you do not want to rely on them being in sync and risk the destruction.
Second, you do not want to run the Stenner pump if the tank is empty. The Stenner pumps are actually decently robust if you do run them empty and a few hours is likely not an issue, but it is better if you don't.
This means we need two relays in series: one tied into the pool pump circuit to ensure we only power the Stenner pump when the pool pump is powered ; and one connected to a float switch in the tank to ensure the pump shuts off when the tank goes empty.
Planning and Parts Acquisition
The project required a lot of electrical and mechanical components: pump, timer, relays, waterproof enclosures, wires, terminal blocks, conduit, GFCI outlets, float switch, etc. Each of these required a bunch of research to find the right fit for my system.
Parts arriving in mass
Parts in boxes
Stenner pump and tank unpacked
Main Junction Box
Live and dead feeds from ground
The electrical lines from the sub-panel come out of the ground by the pool pad area and into a junction box. However, this consists of two circuits: one for the pool pumps and one for my pool lights and an outlet on a post light. There is some complexity because these two circuits share the neutral line (something electrical code may not allow today). The pool pump uses a 240V circuit with two hot leads, while the pool light circuit is a normal 120V circuit.
Old main junction box
Main junction box
Old main junction box unwired
Main junction box wiring diagram
This means there are five wires coming into that main pool pad junction box, with some existing one way to the pool pumps and some existing the other to the pool light. The Stenner pump and control panel need regular 120V, so I would need to tap into the pool light circuit for that and have a third set of wires existing the main junction box. This gets crowded fast, so to make it easier to work on and maintain, I added a large box and used terminal blocks instead of direct splicing of the wires.
Working on box wiring
First terminal blocks layout
Terminal blocks closeup
New main junction box unwired
New main junction box wired
Pool Pumps Controller
Pump control box wiring diagram
There is an existing waterproof box for the existing pool pump controller. This needed to be re-wired for the new main junction box electrical feeds and also to add a new set of wires going from the pool pump controller to the Stenner pump controller. This is the control signal that will be used in the relay to ensure the Stenner pump runs only when the main pool pump is getting power.
Existing motor control box wiring
Existing motor controller box
Motor leads conduit junctions
Old motor controller box unwired
Main and pump boxes unwired
New pump junction box wired
Main and pump boxed wired
Pump control box underside
Main junction box underside
Stenner Controller Box
The Stenner pump controller was the most complex needing a timer and two relays. Into the box we needed electrical power, the pool pump control wires and the float switch control wires. Going out we needed the switched power for the pump.
Stenner box installed (empty)
Stenner box feed lines entry view
All boxes after Stenner box feed wiring
Feed lines to Stenner box pulled
Conduit clamps
Conduit clamps closeup
Stenner Controller Board
The Intermatic timer I bought came with a regular plug-in style cord. This was not going to work to fit inside the box as it was too much cord. I needed to cut the cord, strip the wire ends and put them into the appropriate terminal blocks. Of all the wiring things I did for this project, where I tried to be careful, this was the most suspect. I could not find a reliable and affordable timer that worked better.
Stenner box component layout
Stenner controller ciruit (closeup)
Mounted Stenner control panel
Powered Stenner control panel
GFCI Outlets
The Stenner pump comes with a regular plug-in cable. I was initially going to cut the came and splice it into the wires coming from the controller box, but then realized what a bad idea that was. For maintenance, I want to easily be able to remove and service the pump, so a plug in connector was better. This meant I needed to install a new outlet as there were not standard 120V outlets in the pool pad area. Being outside, this would need to be a GFCI outlet.
Since I needed to add an outlet anyway, I decided to add a two-gang outlet so I could use it for power tools and other things I might need when working in that area. I needed a two-gang outlet and not just two receptacles before the Stenner pump receptacle was switched based on the timer and relays. So I needed a second one that was always on. I deliberately bought two different colored outlets to reflect them being different.
Cover and receptacle for stenner outlet
Stenner outlet before mounting
Under fence Stenner conduit feed
Tank Base
It is not a good idea for the 30 gallon tank of liquid chlorine to sit directly on the ground and it is a good idea for it to be level. This required me to grade and level an area and build a platform. I bought some cinder blocks, and rested them on some leftover masonry board I had to form a more stable base.
Positioning tank and base
Leveling ground for tank (closer)
Leveling ground for tank
Leveling base masonry board (closer)
Cinder block base arrangement
Tank on leveled base blocks
I also bought a 24 inch square plastic base that sits between the cinder blocks and tank.
Cinder block base and outlet box
Tank before plastic base
Tank with plastic base
Tank Float Switch and Suction Feed
With the tank base in place and electrical work done, it was now time to connect the plumbing, electrical and set up the pump and tank. First was setting the pump intake tube to the right level. Too high and you cannot get at a lot of the liquid chlorine; too low and you start to pick up sentiment from the bottom. I also have to devise a PVC stem to mount the float switch and position it at about the same level as the intake tube.
Tank float switch stem
Tank float switch and feed intake
Float switch waterproof connector
Pool Plumbing for Injector
Stenner injector installed
The last hookup needed was the injector itself which is the point that the liquid chlorine enters the pool return stream. I had to redo a lot of my pool plumbing to replace a faulty valve, so while I did this I added a 'T' connector with a threaded end for the Stenner pump's injector to go in.
This completed all the electrical and plumbing hookups for the new Stenner pump. I could now test the pump flow rates, the timers, the relay interlocks and everything else to see how it all came together. I used water at first in case I needed to adjust or disassemble anything.
Behind tank view
Stenner pump label (in place)
Stenner pump tube closeup
Tank Insulation
Liquid Chlorine (LC) degrades over time. If you put 12% LC in today, a couple weeks from now it may only be 10%. How quickly it degrades depends on the temperature and the elements. I do not have any climate controlled place to put the tank and even if I did, there is then the venitllation issue for the chlorine gas it gives off. This means the tank needs to live outside in the Central Texas heat. All I could do was my best to reduce the degradation. I had some styrofoam insulation from a garage door insulation project and used some waterproof tape to wrap and seal the tank.
Tank insulation installation
Tank top area view
Tank insulated wrapping (alt)
Tank Enclosure
The other way I was going to protect the tank from the elements was to put a cover on it so it never got direct sunlight. However, how to put a roof on the tank was tied up with my need to fence it in. My pool pad area is nicely fenced off with a small 4 foot fence that helps with both the sound propagation and the aesthetic aspects. Unfortunately, there was not room for this tank behind that fence, which makes it a bit of an ugly piece of work in my backyard.
I decided I would just add a fence extension around it to match the existing pool pad fence. However, to do maintenance on the tank and pump, I would need to ensure I had enough room. My solution was to make a hinged fence.
Tank fence part layout (alt)
Tank fence board assembly
Tank fence hinge detail
Tank fence installed (open)
Tank fence hinge closeup
Tank fence installed (partially open)
Tank fence adjustable kickstand
With the hinged fence extending away from the anchor point, the fence would sag over time. I needed a way for the ground to support the fence that I could add and remove easily. I can up with the idea of a PVC pipe that slide up and down and locks into place with a removable pin. I also added a big galvanized nail to the end so that it would stick in the ground and not move laterally.
Tank fence kickstand closeup
Tank fence adjustable support
Tank fence kickstands installed
Tank Cover
Polycarbonate covering colors
My first idea for the roof of the enclosure was a polycarbonate sheet. These are used in porch covers a lot and I hate the way they look. However, they now come in lots of colors, so I thought a dark green version might be visually appealing. I bought a sheet from home depot, cut a piece off, then placed it by the pump area to assess its aesthetic. I hated it.
There was also the issue about how to affix a rigid roof to the movable fence. The solution I changed to was a 24 inch square, UV resistant tarp with an elastic rope to secure it on hooks.
Tank cover closeup
Tank cover elastic tie down
Tank enclosure with covering
Installation Completed
My helper staining the fence to match the existing pool pad fence also happened somewhere along the way.
Tank enclosure completed (northwest)
Tank enclosure completed (north)
Decommissioning
In April of 2026, after the completion of the Pool Pad and Equipment project, and after the tank sat unused for 6 months, I finally decommissioned the hardware, including the 5 gallons of liquid chlorine that was sitting on the bottom. I listed the pump and tank for sale as they still had some value.
Tank after one year
Tank contents after 6 months
Float switch nut corrosion
Pump and parts prepared for sale
Rank prepared for sale